Mantua, New Jersey
Original Site:
September 2004
E-mail: usav8or@yahoo.com
July 9, 2007 The more I build ....
the more I want to build
In the beginning I wasn't going to make the fittings for my Skybolt. I think I heard that before when I was thinking of buying an
abandoned project for the fuselage. That went out the window as soon as the Radial Engine version of the Skybolt came out.
How the buying of fittings went out the door is beyond me... no, wait, I remember now... after looking at many of the parts, and me being that miserly builder, I actually said to myself... "I can't see paying all
that money to purchase a lot of the fittings that look that easy to make." So... here I sit ordering the flat stock for many of the fittings. I just took two hours to put together the metal-cutting bandsaw that I bought specifically for
this job. Crazy ain't it ?
Side note. Actually, when all costs are added up, you save a lot of money buying the material and machinery to make most of the pieces of your airplane. I'll be buying a lathe to make four small
caps. The cost of the lathe and the material is cheaper than the four small caps. Amazing, ain't it ? And I learn a new skill to boot.
As with any of the things I do on my biplane, I'll keep you up to date with my progress and learning by posting to my site.
July 10, 2007 Carpenter... Welder... and now, Mechanical Engineer ?
The lengths some people will go to build a biplane.
Just like welding.... YIKES ! How did I get myself into this thing ?
Welder... now Engineer ? What's next, Rocket Scientist ?
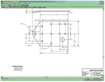
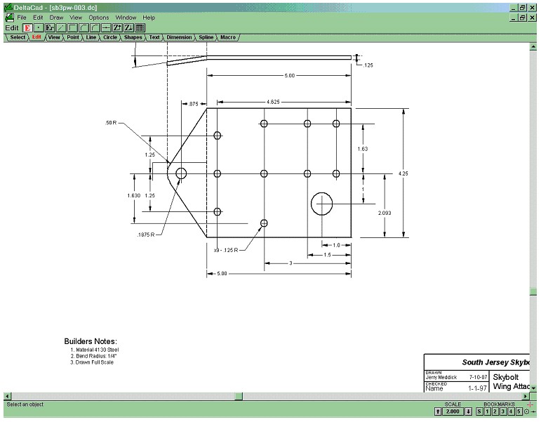
The above screen shot is my first attempt, actually it's more than an attempt, I actually laid out the fittings per the drawing that I received from Steen. Click on the image for a large screen shot.
I'm just learning the program.... it took about 3 hours to lay it out.
Not bad for not having an instruction manual to go by. Actually, Randy, one of the experienced builder's on the biplane forum, asked if anyone wanted
a CAD program he had. I said... "Hell yeah."
Initially I was having a little trouble figuring out how to make lines and circles precise sizes. A quick email to
Randy and he had me on the straight track.
Just like not wanting to cut and bend fittings for the Skybolt... I didn't really see myself re-drawing/laying out the fittings and brackets. I figure with the CAD
program, once I lay it out, all I need to do is print out how many of that fitting I need. No need to lay out the same fitting two, three or four times. Makes
sense to me.
I'm getting to learn new terms... terms such as "Set Back," "Bend Allowance," learning about tapered blocks and spring-backs.
All this new learning is easy when there is an end result.
If I were to get on the computer
and just start drawing squares, rectangles and circles I'd be bored out of my mind. Putting all those squares, rectangles and circles together to create a fitting for the Skybolt... now that's my
kinda learning. I'm looking up formulas for right triangles... formulas I hadn't seen since high school. I'm actually experiencing where Lamar Steen was going with all this airplane building when he created it for a high school project for his students. The Skybolt is actually still serving the purpose
of what it was originally intended to do. Teaching "kids" about airplanes and more.
With all this CAD learning... I'm getting the itch to start designing one of these flying machines myself.